Keystone 4000 připojovací oko 12,7mm
| Technický název: | 4000 Keystone PC připojovací oko |
| Výrobce: | Keystone Electronics |
| Kód zboží: | 07490 |
| EAN: |
| Cena bez DPH: | 1,65 Kč |
| Cena s DPH: | 2,00 Kč |
Popis
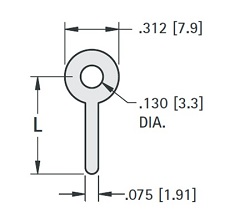
Připojovací PC oko Keystone 4000.Obrázek je informativní, přesné parametry výrobku ověřte v technické dokumentaci v příloze
Technické parametry
| Hmotnost (netto) | 1,000 g |
| Materiál | kov |
Přílohy
Téměř ze všech typů akumulátorů a baterií jsme schopni zhotovit jakoukoliv sestavu dle Vašich požadavků.
Podrobnější informace o sestavách naleznete zde
Pokud máte zájem o větší množství, nebo o trvalý odběr některého z našich produktů, kontaktujte prosím naše obchodní oddělení, kde si dojednáte případné slevy.
Technické specifikace se mohou změnit bez výslovného upozornění. Obrázky mají pouze informativní charakter.
Cena eletrického zařízení nezahrnuje recyklační poplatek v souladu s ustanovením § 37h odst. 3 zákona o odpadech a autorský poplatek. Výše poplatku viz Obchodní podmínky.



