Panasonic BR-2330/F3N
| Technický název: | lithiová knoflíková baterie; 3V; 255mAh; 2 pin naležato na DPS |
| Výrobce: | Panasonic |
| Kód zboží: | 07741 |
| EAN: |
| Cena bez DPH: | Na poptávku |
| Cena s DPH: | Poptejte vložením do košíku. |
Popis
Primární knoflíkový lithiový článek Panasonic série BR.Používá se v širokém spektru průmyslových aplikací a je vhodný pro napájení a
zálohování pamětí elektronických systémů, detektorů a čidel.
Jejich základní předností je:
- dlouhodobá spolehlivost
- vysoká kapacita
- nízké samovybíjení (1% za rok)
- široký rozsah operačních teplot -30°C/+80°C.
Na všechny typy baterií jsme schopni profesionálně nabodovat vývody (piny) dle přání zákazníka.
Značení baterie:
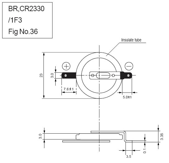
BR-2330/F3N
BR-2330-1F3E
knoflíková
lithiová
Typ:
Nenabíjecí baterie
s vývody (piny) TYP F s izolací
Uvedená cena za: 1kus
Pokud máte zájem o větší množství baterií, kontaktujte prosím naše obchodní oddělení a my Vám rádi vypracujeme nabídku na míru. knoflík, knoflíková, baterka, BR2330, BR 2330
Technické parametry
| Průměr | 23,0 mm |
| Délka | 3,0 mm |
| Hmotnost (netto) | 3,000 g |
| Napětí | 3 V |
| Kapacita | 255 mAh |
Téměř ze všech typů akumulátorů a baterií jsme schopni zhotovit jakoukoliv sestavu dle Vašich požadavků.
Podrobnější informace o sestavách naleznete zde
Pokud máte zájem o větší množství, nebo o trvalý odběr některého z našich produktů, kontaktujte prosím naše obchodní oddělení, kde si dojednáte případné slevy.
Technické specifikace se mohou změnit bez výslovného upozornění. Obrázky mají pouze informativní charakter.
Cena eletrického zařízení nezahrnuje recyklační poplatek v souladu s ustanovením § 37h odst. 3 zákona o odpadech a autorský poplatek. Výše poplatku viz Obchodní podmínky.



